View Video

Complete the form below to view the presentation.

Video
Video

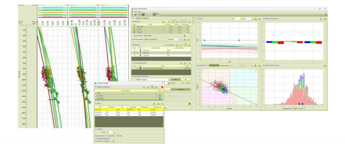
Elastic Depth Trends for Siliciclastic Sequences

Elastic depth trends are an integral component of reservoir characterization whether explicitly or implicitly constructed. Applications for seismic data include migration velocity model building, inversion and AVO prospecting. In practice, workflows often involve fitting well logs with smooth curves, without reference to known lithologydependent templates that could provide realistic constraints. We construct porosity-depth trends for shales and sandstones with reference to measurements from literature that spawn both mechanical compaction and chemical diagenesis domains. These porosity trends are then used as inputs to well-known rock physics models to estimate the median and bounding trends for acoustic and shear impedance. The resulting modeling has shown an important sensitivity to the pore pressure regime, among other variables. AVO predictions made from these trends provide a useful reference frame for anomaly prediction with depth.

Resource Info A Coupled Rock Physics & Geological Pore Pressure Model in Carbonates
A Coupled Rock Physics & Geological Pore Pressure Model in Carbonates
WATCH VIDEO
Resource Info Exploratory Data Analysis (EDA) Tool for Well-Log Data
Exploratory Data Analysis (EDA) Tool for Well-Log Data
WATCH VIDEO
Resource Info Data Management Isn’t Just for Data Managers
Data Management Isn’t Just for Data Managers
WATCH VIDEO
Resource Info Maximizing Your Workflow Efficiency: Seamless Integration of Petrel and RokDoc
Maximizing Your Workflow Efficiency: Seamless Integration of Petrel and RokDoc
WATCH VIDEO
Resource Info Ensuring Safe Drilling using Shale-Based Pore Pressure Prediction: an Introduction and Review of the Workflow in RokDoc
Ensuring Safe Drilling using Shale-Based Pore Pressure Prediction: an Introduction and Review of the Workflow in RokDoc
WATCH VIDEO
Resource Info Revolutionize Your Seismic Interpretation: Explore the Impact of Elastic Properties and Geometry with Attrimod’s Multi-Scenario, Multi-2D Synthetic Seismic Modelling
Revolutionize Your Seismic Interpretation: Explore the Impact of Elastic Properties and Geometry with Attrimod’s Multi-Scenario, Multi-2D Synthetic Seismic Modelling
WATCH VIDEO
Subscribe to our Emails